
- Битүүмжлэх хурд: 15-30 ширхэг / мин
- Нэрлэсэн хүчдэл: 110V/60Гц (АНУ-ын стандарт)
- Машины хүч: 0.8 кВт
- Ампер: 2.2А
- Гаднах хэмжээ: 2230*1460*1600 MM(L*W*H)
- Агаарын даралт: 0.7 МПа
- Жин: 300 орчим кг
Лонх таглах машиныг эхлүүлэхийн өмнөх мэдэгдэл
1: Машиныг залгахаас өмнө цахилгаан унтраалга хаалттай байдалд байгаа эсэхийг шалгаад дараа нь зааврыг дагана уу.
2: Хэрэв машин удаан хугацаанд ажиллахгүй бол хуурай даавуугаар арчиж, идэмхий бодисоор цэвэрлэж болохгүй.
3: Цахилгааны дотоод эд ангиудыг зэврүүлж, богино холболт үүсгэхгүйн тулд машины цахилгаан хайрцагт шингэн асахыг хатуу хориглоно.
4: Тоног төхөөрөмжийн баглаа боодлын жагсаалтын загвар, техникийн үзүүлэлт, тоног төхөөрөмж, материалын тоо хэмжээг зураг төсөл, бүтээгдэхүүний стандартын шаардлагад нийцэж, тохирлын гэрчилгээний хамт хавсаргасан эсэхийг шалгана.
5: Тоног төхөөрөмжийн гадаад үзэмжийг шалгаж, ямар нэгэн хэв гажилт, гэмтэл, зэврэлтээс ангид байх ба бүх ээрмэлүүд нь ямар ч бөглөрөлгүйгээр уян хатан эргэлдэж байх ёстой.
6: Энэ машин нь нэг фазын хувьсах гүйдлийн 110V-ийн дор ажиллаж байгаа бөгөөд хавтгай 3 хөлтэй цахилгааны залгуурыг газардуулгын утсаар цахилгааны залгуурт залгах ёстой.
Техникийн параметрүүд

- Битүүмжлэх хурд: 15-30 ширхэг / мин
- Нэрлэсэн хүчдэл: 110V/60Гц (АНУ-ын стандарт)
- Машины хүч: 0.8 кВт
- Ампер: 2.2А
- Гаднах хэмжээ: 2230*1460*1600 MM(L*W*H)
- Агаарын даралт: 0.7 МПа
- Жин: 300 орчим кг
Бүрхүүлийн машин дэлгэрэнгүй:



Машины бүтэц

Оптик шилэн цахилгаан нүдний тодорхойлолт
Лонхыг илрүүлэх цахилгаан нүд:

Автомат горимд ажиллах үед энэ цахилгаан нүдний зорилго нь ирж буй шилийг илрүүлэх явдал юм.
Ирж буй лонхыг илрүүлэхэд "эргэдэг" эргэлддэг.
Таг-Хүргэх цахилгаан нүд

Автомат горимд ажиллах үед энэ цахилгаан нүдний зорилго нь ирж буй бүрээсийг илрүүлэх явдал юм.
Ирж буй тагийг илрүүлэх үед материалыг авах "гаргах механизм" босдог.
Таг-Хүргэх цахилгаан нүд

Автомат горимд ажиллах үед: Энэхүү цахилгаан нүдний зорилго нь ирж буй шилийг илрүүлэх явдал юм.
Ирж буй шилийг илрүүлэх үед "түгжих тагны механизм" нь түгжээний тагийг доошоо эргүүлнэ.
Шилжүүлэгч товчлуур ба утас порт
Мэдрэгчтэй дэлгэц ба яаралтай зогсолт

Тэжээлийн мотор болон тагны чичиргээний хавтанг хянагч

Чичиргээний хавтан хянагч

Чичиргээний хавтан хянагч: Хүчдэлийг тохируулснаар цэнэгийн хурдыг тохируулна.
Цахилгаан унтраалга ба залгуур

Мотор хянагч

Давтамжийн трансформатор: Давтамжийн трансформаторын товчлуурыг тохируулснаар моторын хурдыг тохируулна.
Сэрүүлэг ба алдааг олж засварлах арга:
1. Яаралтай зогсолтыг дарсан. Машины таг болон мэдрэгчтэй дэлгэцийн хажууд байрлах яаралтай зогсоолуудыг дар.
2. Гаралт нь тогтоосон утгад хүрнэ. Гаралтыг тохируулж, одоогийн гаралтыг арилгахын тулд цэвэрлэх товчийг дарна уу.
3. Удаан хугацаанд таг илрээгүй бол шалгана уу. Лонхны тагны индукцийн утас сайн хангагдсан эсэхийг шалгана уу. Тагнууд байгаа эсэхийг шалгана уу.
4. Удаан хугацаанд шил илрээгүй тохиолдолд шалгана уу. Лонхнууд байгаа эсэхийг шалгана уу.
Цахилгаан нүдний тохируулга:
Өсгөгчийн бүтэц

Оптик шилэнд зориулсан диаграм:

1. Оптик шилэн цоожны баар
2. Үйл ажиллагааны төлөвийн үзүүлэлт
3. Тохируулах
4. DSC заагч гэрэл
5. Дижитал дэлгэц
6. Гарын авлагын товчлуур
7. Өргөтгөсөн хамгаалалтын бүрхүүл
8. Өргөтгөх холбогч
9. Эрчим хүч сонгогч унтраалга
10. Mode товчлуур
11. Гаралтын сонгогч
12. Кабель
13. Тоос хамгаалах хэрэгсэл
14. Тохируулах утгыг (ногооноор)
15. Одоогийн утга (Улаанаар)
Шилэн оптик тохиргооны ажлын процесс
- Цахилгаан нүд цоорхойд унах үед улаан гүйдлийн утга нь 144 байна.
- Цахилгаан нүд шошгон дээр унах үед улаан гүйдлийн утга 4 байна.
- Тогтоосон утгыг "цахилгаан нүд нь биеийн цаасан дээр байгаа утгын 1/2 орчим (илрүүлэх объектын хоорондох зайд) ба цахилгаан нүд цаасан дээрх утгыг тохируулна уу (144). 4)/2=74, тохируулсан утгыг 74 болгохын тулд гарын авлагын товчлуурыг тохируулна уу.
- Шошгоны цоорхойг цахилгаан нүдний байрлал болон улаан "дохионы гэрэл/заагч гэрэл"-д нааш цааш хөдөлгө.
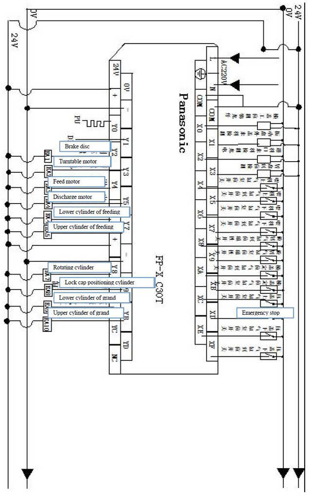
Хэлхээний диаграм



Арчилгааны лонх таглах машин

1. Машиныг уртасгах, машины үйл ажиллагааг оновчтой болгохын тулд машиныг шалгаж, засвар үйлчилгээ хийх шаардлагатай;
- Ажлын машиныг гурван сар тутамд засвар үйлчилгээ хийх ёстой;
- Холхивч ба араа дамжуулах хэсгийг тосоор тослох ёстой;
- Тосолгооны ажлыг үе үе хийх ёстой;
- Гулсуурын тосыг (N68) өдөрт хоёр удаа эргүүлэх механизмын хөдөлгөөн эсвэл өргөх зэрэг хэсэгт нэмж оруулах ёстой;
- Автомашины тосыг (N68) эргэдэг эсвэл дүүжин хэсгүүдэд нэмнэ;
- Хагас сар тутамд тосолгооны нүхэнд тос нэмнэ;
- Сар бүр нэг удаа тос нэмж тос цорго;
2. Бүрэлдэхүүн хэсэг, хөгц зэрэг эд ангиудад наалдсан гадаргуу дээр цохих, хусахын тулд металл багажийг хэзээ ч бүү ашигла.
3. Хэрэв машин удаан хугацаагаар ажиллахаа больсон бол дамжуулагч, холхивч гэх мэт хэсгүүдэд тослох тос нэмнэ; Мөн машиныг ус нэвтэрдэггүй хамгаалалтаар эмчил.
4. Машиныг гэмтээхгүйн тулд машин дээр ямар нэгэн зүйл бүү тавь.
5. Бүрэлдэхүүн хэсгүүдийн доторх тоосыг үе үе цэвэрлэж, бүх эрэг шургийг шалгаж, суларсан боолтыг засаарай.
6. Тодорхой цагт терминалуудын эрэг шургийг шалгаж, шураг нь бэхлэгдсэн эсэхийг шалгаарай;
7. Цахилгааны хайрцагнуудын сунгасан утаснуудын замд сул станц байгаа эсэхийг шалгах; Хэрэв хэсэг нь хэтэрхий сул байвал цахилгаан гүйдэлд хүргэж болзошгүй тусгаарлагч давхаргын элэгдэл, эвдрэлээс зайлсхийхийн тулд боолтыг дахин засаарай.
8. Амархан хуучирдаг пальтог шалгаж, гэмтсэнийг нь цаг тухайд нь солих;









