
- Хамгаалах толгой: 2 ширхэг servo-moto жолоодлого
- Хүчдэл: 220V, 50/60HZ;
- Эрчим хүч: 3.0Kw
- Агаарын даралт: 0.5-0.7 Мпа
- Ампер: 8.5А
- Хурд: 40-45/мин (лонхтой хэлбэр, хэмжээгээр тохируулна)
- Тохиромжтой бүтээгдэхүүний диаметр: φ28-φ125мм таг(Стандарт бус тохируулсан)
- Булчирхайн дамжих хурд: ≥99.5%(Таг болон лонхны алдаанаас хамаарч)
- Машины хэмжээ: 3300*1150мм*1908мм
- Жин: 450 кг
Машины хүчийг асаахаас өмнө. Аюулгүй байдал болон машиныг зөв ашиглахын тулд энэхүү гарын авлагыг анхааралтай уншина уу. Ажилтнуудын ослоос зайлсхийх, машины эвдрэлийн давтамжийг багасгах.
Идэмхий бүтээгдэхүүний хувьд машин өөрөө болон ажилтнуудад идэмхий зүйл шүрших, шүршихээс зайлсхийх хэрэгтэй.
- Машиныг чичиргээ, мөргөлдөх боломжтой газар ашиглахаас зайлсхий.
- Машин ажиллаж байх үед ажилтнуудын бие нь хөдөлж буй хэсгүүдэд хүрч чадахгүй.
- Машиныг хэт чийглэг газар ашиглахаас зайлсхийх хэрэгтэй. Аюулгүй байдлын ослоос зайлсхийхийн тулд үүнийг цахилгаан тэжээлд оруулах, газардуулгын утсыг зөв газардуулна.
- Оператор биеийн болон сэтгэл санааны хэвийн байдлыг хангах ёстой. Хэрэв та согтууруулах ундаа, нойрны эм, сэтгэцийн байдалд сөргөөр нөлөөлдөг бусад эм уусан бол машиныг ажиллуулахаа боль.
- Оператор нь өнхрөх хэсгүүдэд хувцасны оролцоотойгоор гэмтэхээс зайлсхийхийн тулд зохих хувцас өмсөж, машин дээр гадны зүйл байрлуулахгүй байх ёстой.
- Ашиглалтын явцад дуу чимээ болон бусад хэвийн бус байдал гарвал шууд зогсоож шалгана уу. Инженерийн бус техникийн ажилтнууд машины эд ангиудыг дур мэдэн шилжүүлэхгүй байхыг анхаарна уу.
- Тогтмол (долоо хоногт нэг удаа) засвар үйлчилгээ, арчилгаа, ус, шингэн асгарах, электрон хяналтын хайрцаг эсвэл бусад цахилгаан эд ангиудыг цэвэрлэхээс зайлсхийх.
- Ашиглалтын ердийн журмын дагуу ажиллаж, машины гадаргууг цэвэр, эмх цэгцтэй байлгана уу.
Каппер машин нь бүх төрлийн гоо сайхан, эм, мал эмнэлэг, пестицид, тосолгооны тос болон бусад үйлдвэрлэлийн салбарт савлагааны процесст хэрэглэгддэг.





Лонхтой таглах машины зарчим ба онцлогууд:
- Цахилгаан автомат удирдлагатай, энэ нь тогтвортой;
- Хаалттай байрлал тогтоох төхөөрөмж, түгжээтэй тагийг стандартын дагуу ашиглах нь тохиромжтой;
- Түгжээ нь өргөн хүрээг хамардаг, малгайны янз бүрийн хэлбэрийг эргүүлж чаддаг;
- Хаах хурд, эргүүлэх шорон нь нэгэн зэрэг эргүүлэх нягтыг тохируулах шаардлагатай байж болно.


Гоо сайхны лонхтой таглах машины үндсэн параметрүүд:

1. Хамгаалах толгой: 2 ширхэг servo-moto жолоодлого
2. Хүчдэл: 220V, 50/60HZ;
3. Эрчим хүч: 3.0Kw
4. Агаарын даралт: 0.5--0.7Mpa
5. Ампер: 8.5А
6. Хурд: 40-45/мин (лонхтой хэлбэр, хэмжээгээр тохируулсан)
7. Тохиромжтой бүтээгдэхүүний диаметр:φ28-φ125мм таг(Стандарт бус тохируулсан)
8. Булчирхайн дамжих хурд: ≥99.5%(Таг болон савны алдаанаас хамаарч)
9. Машины хэмжээ:3300*1150мм*1908мм
10. Жин: 450кг
Хост хэсгийн тайлбар


Цахилгаан унтраалга: Цахилгаан хангамжийг асаах --- унтраах.
Эрчим хүчний үзүүлэлт: асаалттай - ногоон гэрэл асаалттай, унтарсан --- ногоон гэрэл унтарсан.
Яаралтай зогсолт: Яаралтай зогсолт: Яаралтай үед машиныг нэн даруй зогсоох, эсвэл ослын үед эсвэл гэмтлийн үед функцийг дахин тохируулахад ашигладаг.
1. Фотоэлектрикийг эхлүүлэх: Машин ажиллаж байгаа бөгөөд фотоэлектрик илрүүлэлт нь лонх, тагтай байгааг илрүүлэх үед эргэлтийн тавцан ажиллаж эхлэх боломжтой. Хэрэв хоёр фотоэлектрикийн аль нэг нь илрээгүй бол эргэлтийн тавцан эргэхгүй.
2. Фотоэлектрикийн гарал үүсэл: Энэ нь эргэдэг тавцангийн байрлалыг жолоодохын тулд гишгүүрийн моторыг удирдахад ашиглагддаг бөгөөд ингэснээр лонхыг таглаа руу жигд оруулах боломжтой.
3. Фото цахилгааны дээд хязгаар: Бүрхүүл нь байгаа эсэхийг шалгаад, эргүүлэх таглаа байгаа эсэхийг фото цахилгаанаар илрүүлнэ.
4. Хавтасны фотоэлектрик: Дээд бүрхэвчийн машиныг эхлүүлэх, зогсоохыг хянах, дээд бүрхэвчийн машинаас өгсөн бүрээсийг фотоэлектрикийн илрүүлсэн байрлалд эрэмбэлэх үед фотоцахилгаан нь үргэлж тод гэрэлтэж, бүрээсний машин бүрхэвчийг зогсоож, ухаалаг бүрхэвчийг хэрэгжүүлдэг. .
5. Түгжээний тагны фото цахилгаан: Тагтай лонх өнгөрөхөд фотоэлектрик илрүүлэлт илэрч, түгжээний тагийг тогтоосон саатлын хугацааны дагуу ажиллуулна (машиныг тохируулах үед туузан дамжуулагчийн хурдны дагуу тодорхой параметрүүдийг тохируулна).
6. Түгжих тагны систем: Тагтай лонх нь ижил, фотоэлектрик эхлэх саатал, цилиндрийн хавчаар лонх хүртэл саатах, түгжээний таг доош буулгах, атгах таг - шураг таг - хавчуурыг суллах - цоожны таг дээшлэх - хавчуурыг суллах, мөн цоожны тагны процесс дууслаа. Түгжээний таг дотор 1# цоожны тагийг цоожны таг дотор байх үед өөр лонх орж ирнэ. Энэ үед 2# хавчаартай лонхны цилиндр хөдөлж, тагийг түгжихийн тулд 2# цоожны тагийг идэвхжүүлнэ. (2# цоожны толгойгоор түгжигдсэн таг нь 1# хавчууртай савыг дайрах үед дахин бүү давт. түгжээний таг.

Хүн-машины интерфейсийн тодорхойлолт

Ачаалах хуудас
3.1 Ачаалах хуудас нь англи, хятад хэл дээрх үйлдлийн сонголттой бөгөөд хэрэв та хятад товчийг сонговол дараах интерфэйсийг оруулна уу:

Хоёрдахь интерфейс
Зогсоох: Машиныг бүхэлд нь асаах унтраалга, энэ товчлуур дээр дарахад машин автомат горимд ажиллана, дахин энэ товчлуур дээр дарахад машин ажиллахаа болино.
Туршилтын хаалга: Машины ажиллагааг шалгах.
Эргэлтийн хурд: Хурдны параметр их байх тусам хурд нь хурдан байх тусам хурдны параметр бага байх болно.(Гэхдээ хамгийн дээд хязгаар бий.)。
Эргэдэг тавцангийн саатал: Тохируулахын тулд эргэдэг тавцангийн жигд ажиллах горимд нийцүүлэн асаах цагийн тохиргоо.
Хязгаарлалтын саатал: Зориулалтын станц руу эргэх тавцангийн дараа хүлээх хугацаа, цилиндрийн таглааг хойшлуул.
Хязгаарлах хугацаа: Цилиндрийг битүүмжлэхэд шаардагдах хугацаа.
Гаралт: Түгжээний тагны тоо, үйлдвэрлэлийн тохиромжтой тоон бүртгэлийг бөглөнө үү. Цэвэрлэхийн тулд дахин тохируулах товчийг дарна уу.
X1. X3. X14: Фотоэлектрик нь тусгалын ажлын төлөвт байгаа эсэхийг шалгах, машины төлөв байдлыг харахад хялбар,
Хязгаарлалтын параметр: Энэ товчийг дараад дараах интерфэйсийг оруулна уу:

Интерфэйс нь servo lock бүрхэвчийн систем дэх 1 # цоожны толгойн үйлдэл тус бүрийг тохируулах параметрийн хуудас бөгөөд параметрүүдийг оновчтой тохируулах нь машины тогтвортой байдал, үр ашгийг дээшлүүлэхэд тустай.
Буцах: Хоёрдахь интерфейс рүү буцахын тулд энэ товчийг дарна уу.
I/O: Дараах интерфэйсийг оруулахын тулд энэ товчийг дарна уу:

X цувралын цэгүүд: Фотоэлектрик ажиллаж байгаа эсэхийг илрүүлэх оролтын цэг нь машины ажиллагааг харахад хялбар, засвар үйлчилгээ хялбар байдаг.
Y цувралын цэгүүд: Гүйцэтгэх бүрэлдэхүүн хэсгүүдийн гаралтын цэг нь санал хүсэлтийн хэвийн төлөв, мөн хяналтын товчлуурыг гараар дарж гүйцэтгэлийн бүрэлдэхүүн хэсгүүд хэвийн эсэхийг шалгах боломжтой.
Таг тэжээх систем: Хамрах заасан чиглэлийн дагуу тогтвортой, эмх цэгцтэй байж болно.
Налалтын тохируулга: Урвуу тагийг гулсуур руу авирахгүй байхын тулд боломжийн өнцгийг тохируулж болно.
Давтамж хувиргагчийн зохицуулалт: бүрхүүлийн хурдыг хянах.


Савны таглах тоног төхөөрөмжийн засвар үйлчилгээ:
1. Аюулгүй байдлыг хангахын тулд машиныг цахилгааныг унтрааж, хий унтраасан нөхцөлд байлга. Машинаа цэвэрхэн, эмх цэгцтэй байлгах, машин дээр янз бүрийн зүйл, жижиг зүйл, дагалдах хэрэгсэл, боолт гэх мэт зүйл байхгүй.
2. Тосолгооны тосыг механизмын хэвийн ажиллагааг хангахын тулд хөдөлгөөнт хэсгийн механизм дээр тогтмол нэмж өгдөг.
3. Цилиндрийн зөв хэрэглээг хангах, ашиглалтын хугацааг уртасгахын тулд агаар шүүгчийн нэгжээс усыг тогтмол гаргаж, тосолгооны тос нэмнэ.
4. Машиныг тогтмол шалгаж, засварлаж байх. Машин сайн ажиллаж байгаа эсэхийг шалгахын тулд нүдний хараа, чихний тусламжтайгаар төхөөрөмжийн ажиллаж байгаа байдлыг үнэл.
Жич: зааврын дагуу ашиглах, засвар үйлчилгээ хийх, баталгаат хугацааг онгойлгох, задлахыг хатуу хориглоно, эс тэгвээс энэ нь хүний гэмтэл, үнэ төлбөргүй засвар хийхгүй. Энэхүү зааварчилгааг мэдэгдэлгүйгээр өөрчлөх боломжтой; Хэрэв энэ машиныг ажиллуулах талаар тодорхойгүй зүйл байгаа бол бидэнтэй хүссэн үедээ утсаар холбогдож лавлана уу
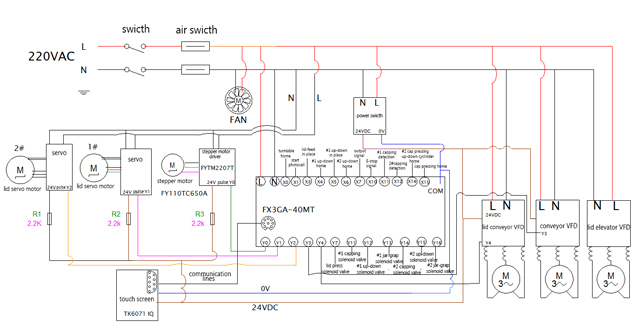
Хавсаргасан цахилгааны схем:

Бэлэн битүүмжилсэн таг нь лонхтой таглах машины дээж:





Тэмдгүүд: дөрвөлжин хар лонхтой савны таг нь маажих чадвартай тул савны тагийг тавиур дээрээс татан авч, таглахад бэлэн станцад хийж, таглах процесст хийнэ. Ажлын нарийвчилсан зарчмыг дараах байдлаар үзүүлэв: Ажлын явц:
1. Тагийг тавиур дээр гараар хийх (15*15 эсвэл 10*10)

2. Тавиуруудыг бэлэн хүлээн авах газарт байрлуулах
3. Савыг түүж буй роботууд

4. Лонхыг байрлуулах, таглах үйл явцыг дуусгах
5. Тагтай лонхтой гаралт











